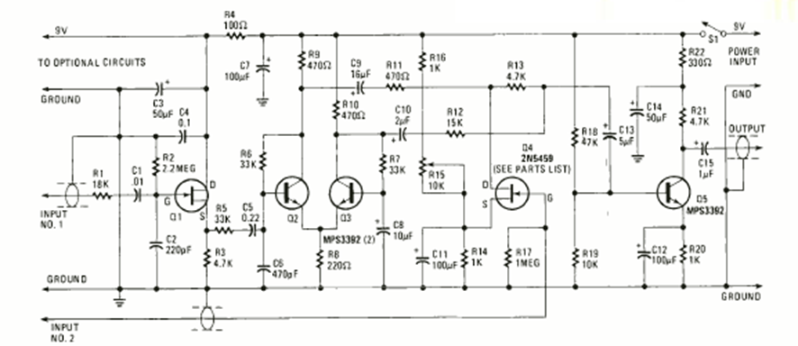
We found this circuit in the 1983 edition of the Electronics Experimenter handbook. The circuit uses components that are common today, although many admit equivalents.
This unusual audio amplifier configuration was obtained in a 1974 documentation. The PNP...
This circuit was obtained in a 1990 English magazine. The circuit can be assembled with equivalent power...
Found in National Semiconductor documentation, this logarithmic meter is powered with a voltage of only...