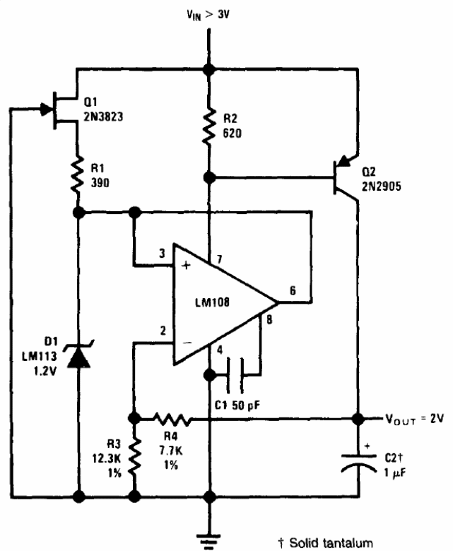
This circuit was found in the National Semiconductor Linear Applications Handbook, published in 1994. The circuit can be implemented with other equivalent integrated and the FET can be the BF245. The output voltage is fixed by the 1.2 V reference.
This circuit was found in the National Semiconductor Linear Applications Handbook, published in 1994. The circuit can be implemented with other equivalent integrated and the FET can be the BF245. The output voltage is fixed by the 1.2 V reference.