This electronic defense was found in the 1990 special issue of Radio Electronics Experimenter magazine. A few hundred volts is generated.
This unusual audio amplifier configuration was obtained in a 1974 documentation. The PNP...
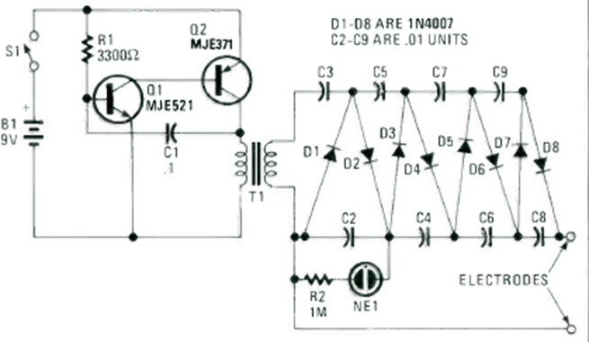
This circuit was obtained in a 1990 English magazine. The circuit can be assembled with equivalent power...
Found in National Semiconductor documentation, this logarithmic meter is powered with a voltage of only...