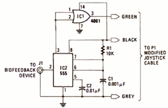
We have many versions of biofeedback with the 555 IC on this site. This is another one. We found it in October 1986 Radio Radio Electronics magazine. The power supply must be isolated.
This unusual audio amplifier configuration was obtained in a 1974 documentation. The PNP...
This circuit was obtained in a 1990 English magazine. The circuit can be assembled with equivalent power...
Found in National Semiconductor documentation, this logarithmic meter is powered with a voltage of only...