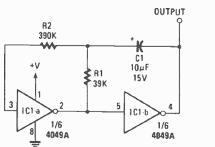
This is one of the many versions of this oscillator that we have on our website. We found it in an article in Radio Electronics magazine from January 1987. The frequency depends on C1.
T1 and T2 can be BC557 and T3 a TIP32 for lamps up to 3 A. The supply is made by voltage of 12 V...
This fourth-order filter was found in American documentation from the 90s. The circuit applies to...
This resistance meter uses a two-transistor oscillator as basic configuration. The tone produced...