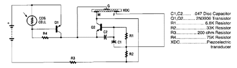
We found this circuit in the Encyclopedia of Electronic Circuits Volume 5 from 1995. It uses a 3-terminal transducer from the time. The circuit is triggered by light.
This circuit was found in the December 1995 issue of Electronics Now magazine. The circuit...
In the figure we have the photo-conductive way of using a photocell to control a small motor with...
This circuit, which can be used on percussion instruments, has the oscillation point adjustment made in...