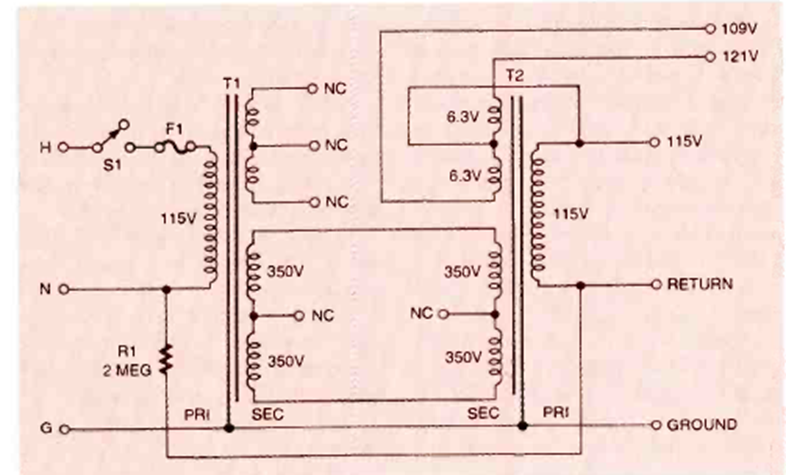
The figure shows an excellent benchtop isolation transformer system. This circuit was suggested by Electronics Now in December 1997.
Quadrature Generator for Transistor and SCR Testing This circuit was found in US 1980s...
This circuit, with output currents up to 500 mA, can stabilize or regulate the output voltage of a...
This circuit that uses only transistors that are still common was found in a 1995 documentation. The TIP41...