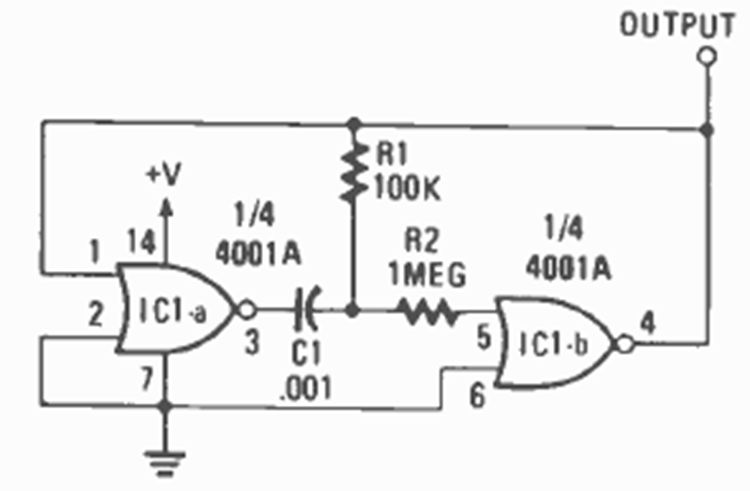
This oscillator was found in the January 1987 issue of Radio Electronics magazine. The frequency is adjusted by C1, and the output has good symmetry. The power supply is typically 3 to 12 V.
This circuit was found in the December 1995 issue of Electronics Now magazine. The circuit...
In the figure we have the photo-conductive way of using a photocell to control a small motor with...
This circuit, which can be used on percussion instruments, has the oscillation point adjustment made in...