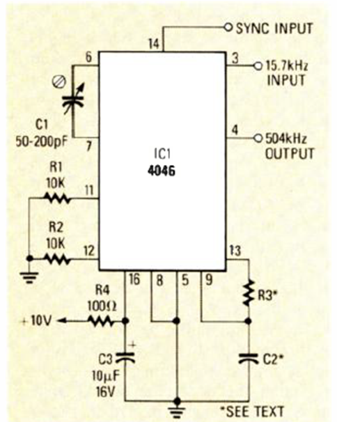
The purpose of this PLL circuit that we found in the November 1986 Radio Electronics magazine is to divide the frequency of a signal by 32. It inputs 504 kHz and outputs 15.7 kHz. The circuit is used with video signals.

The purpose of this PLL circuit that we found in the November 1986 Radio Electronics magazine is to divide the frequency of a signal by 32. It inputs 504 kHz and outputs 15.7 kHz. The circuit is used with video signals.
