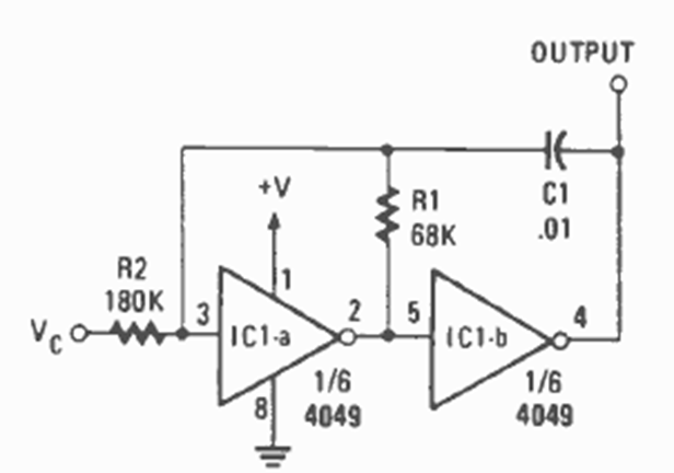
This voltage-controlled oscillator is one of many versions that can be found on this site. The circuit has the frequency determined by C1. The power supply is between 3 and 12 V.

This voltage-controlled oscillator is one of many versions that can be found on this site. The circuit has the frequency determined by C1. The power supply is between 3 and 12 V.
