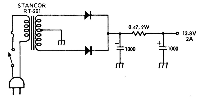
This 13 A V power supply with 2 A uses a transformer with 12 V of secondary and 2 A of current. The diodes can be 1N5404 or equivalent for 2 A or more.
With this circuit it is possible to monitor the charge and discharge of a battery. The circuit is...
Found in 90s Radio Electronics, this shield can control high voltage loads in the power grid....
The duration of the output pulse in this circuit depends on C. This capacitor can have values in...