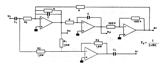
This 4-function, high-pass, low-pass, band-pass and rejector filter was found in French documentation from the 1980s. Virtually any operational amplifier can be used in this circuit whose frequency is given by the formula along with the diagram depending on the components used.




