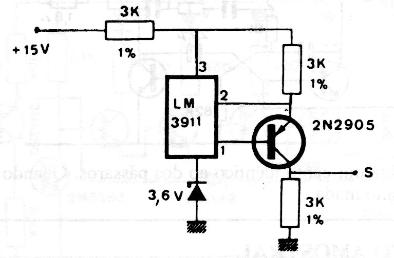
The LM3911 from National Semiconductor (Now Texas) is a temperature sensor that provides an output voltage as a function of the temperature it is at. The circuit is from a documentation of the 90's and operates in the range of -25 to + 85º C.
The LM3911 from National Semiconductor (Now Texas) is a temperature sensor that provides an output voltage as a function of the temperature it is at. The circuit is from a documentation of the 90's and operates in the range of -25 to + 85º C.