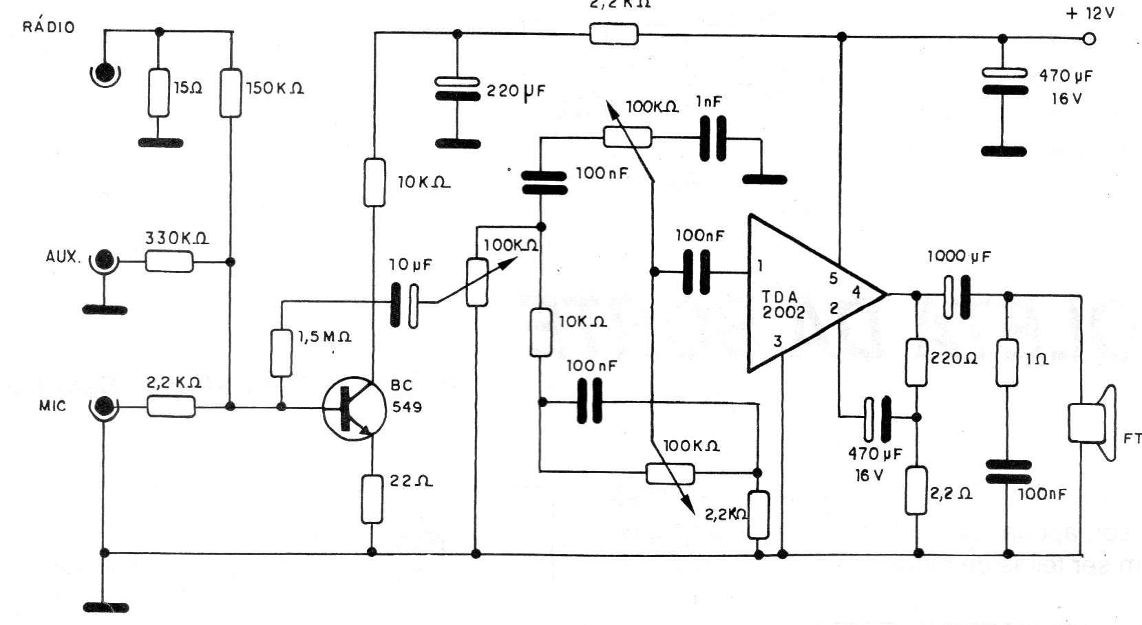
This excellent amplifier has already been presented in other configurations on this website. It is based on a TDA2002 integrated circuit and in this case includes tone and pitch control. The supply is made by 12 V of source with at least 2 A. The circuit has three inputs, according to the type of signal.




