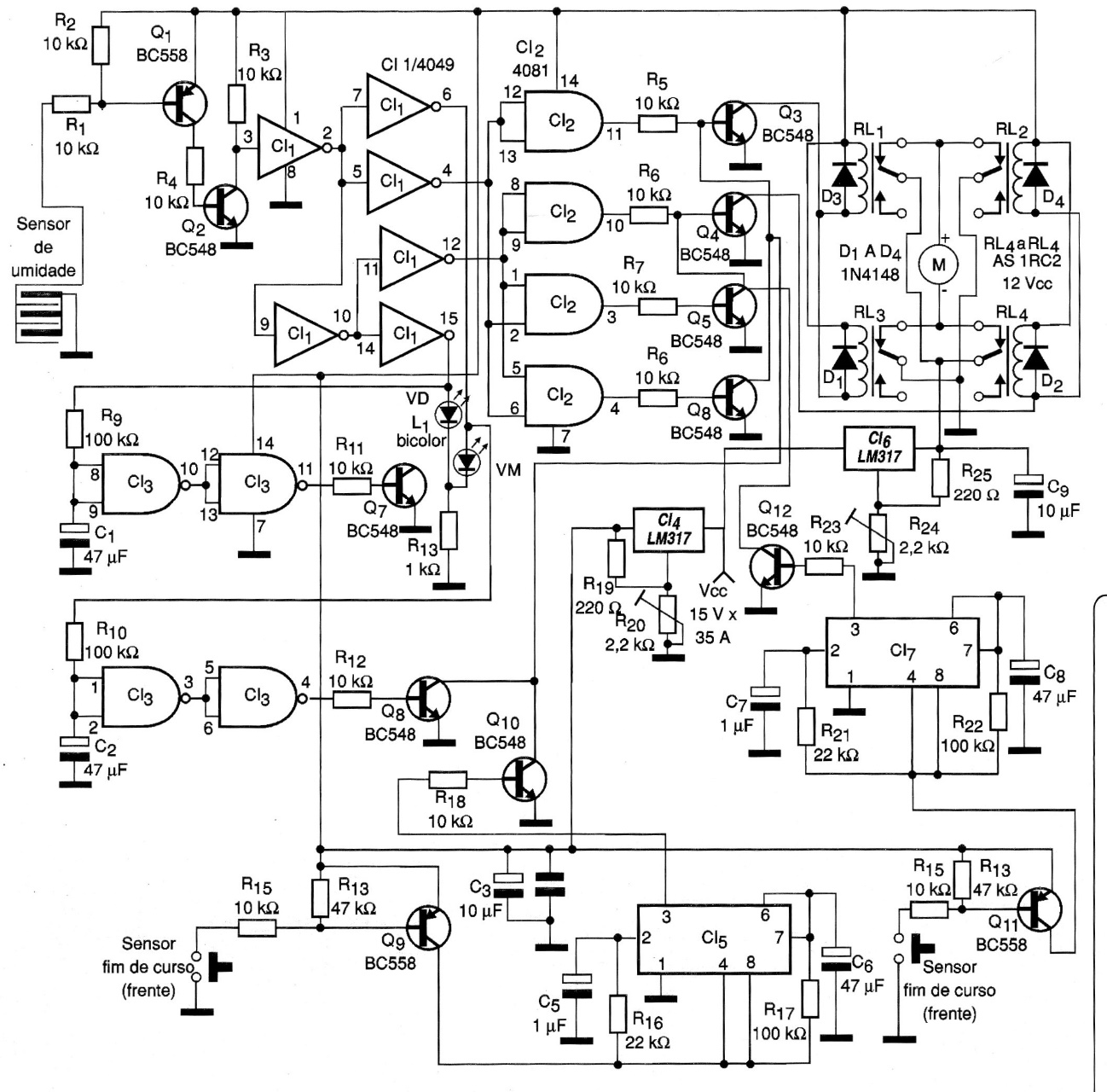
This circuit opens a reservoir when it starts to rain and closes it when the humidity sensor dries. The circuit is from 2006 documentation. The motor is controlled by an H bridge and nothing prevents the original design from being improved with the use of microcontrollers.




