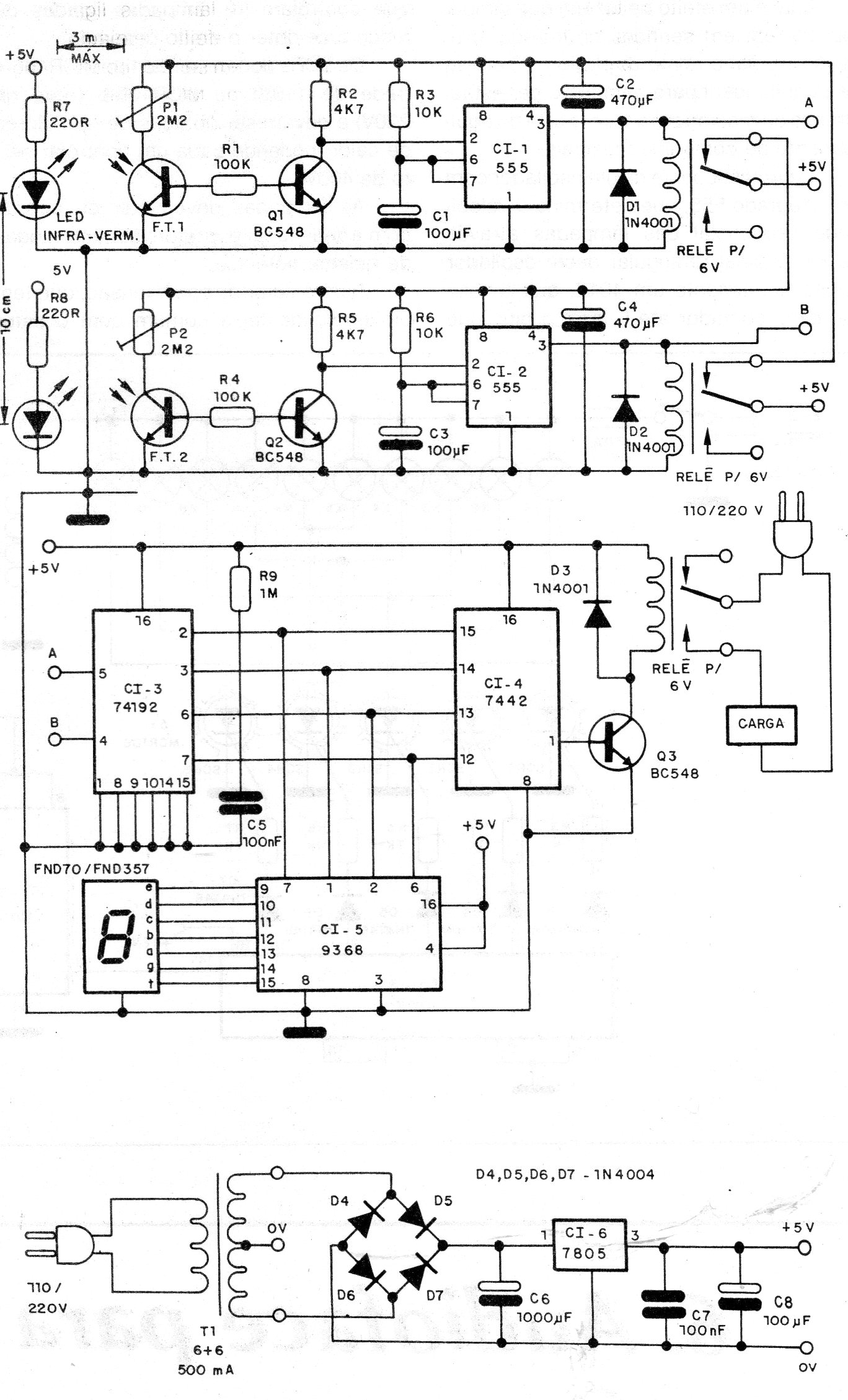
This circuit, found in a 1989 documentation, detects the direction of the object's passage, activating at the entrance and then disconnecting at the exit. The circuit makes use of 3 6 V relays which is the input voltage of the circuit. The phototransistors admit equivalents and the sensitivity adjustment is made in the trimpots.




