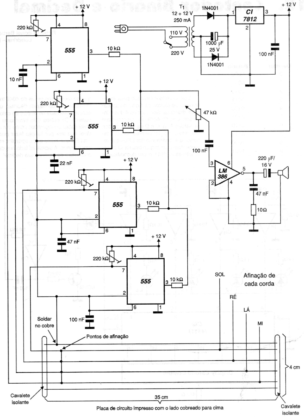
We found this interesting electronic musical instrument circuit in a 2001 publication. The components used are all still common today and the audio amplifier can be replaced by an external amplifier with greater power. Trimpots and tuning points provide the best sound for the instrument. The circuit has a 12V supply, but with other amplifiers it can work with lower voltages.




