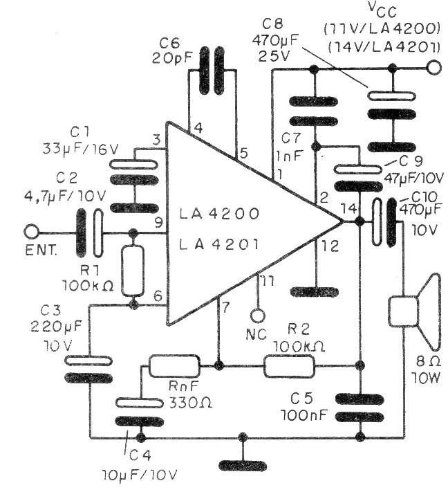
This amplifier can supply powers of 1.5 or 2.5 W depending on the integrated circuit used. The integrated circuit is not very common today, but at the time the circuit was published (1992) it was used in commercial equipment.
This amplifier can supply powers of 1.5 or 2.5 W depending on the integrated circuit used. The integrated circuit is not very common today, but at the time the circuit was published (1992) it was used in commercial equipment.