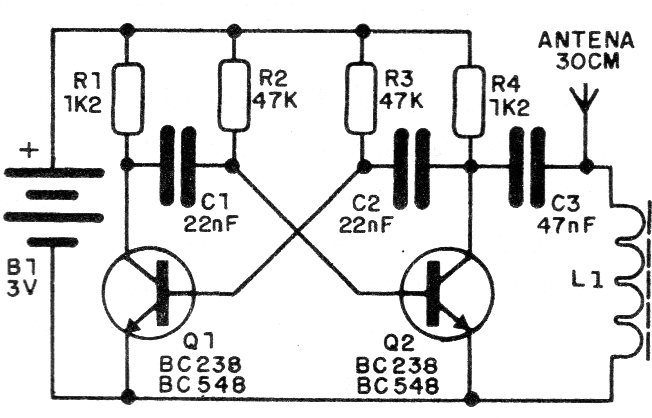
This circuit generates clear signals in harmonics that can be used for testing mid-wave radios. The signals are irradiated by a common coil of medium waves or formed by 80 turns of wire 30 or 28 in a ferrite rod. A small antenna can be used as shown in the diagram. Power is provided by two small batteries.




