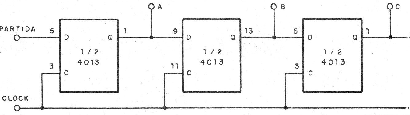
We now present the 4013 in its bistable configuration, in which we use 3 flip-flops (1 and a half 4013) as a bucket brigade sequencer. The behavior of this circuit is clearer by observing the output pulses as a function of the inputs shown in the figure. By directly activating a triac or SCR input, this configuration allows us to design a 3-channel sequential of great effect. The speed of operation will depend exclusively on the clock frequency that would easily be built around a 555.




