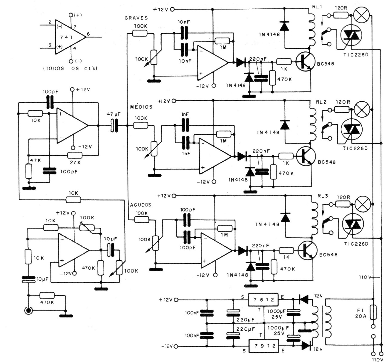
This sophisticated circuit with a low, medium, and high treble filter is from 1990 documentation. The circuit must only be used with incandescent lamps and the triacs must be equipped with good heat sinks. The circuit uses a symmetrical source for the operational amplifiers. The potentiometers adjust the operating point. The downside of this project is the use of relays to control triacs.




