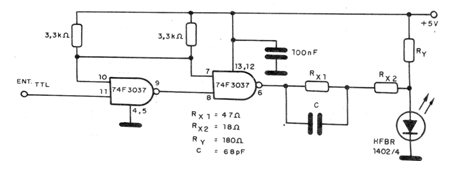
This TTL circuit from a 1992 documentation supports speeds up to 170M baud and must be powered by a voltage of 5 V. The emitting LED must be of an appropriate type for the fiber used. In the diagram, the other characteristics of the circuit.

This TTL circuit from a 1992 documentation supports speeds up to 170M baud and must be powered by a voltage of 5 V. The emitting LED must be of an appropriate type for the fiber used. In the diagram, the other characteristics of the circuit.
