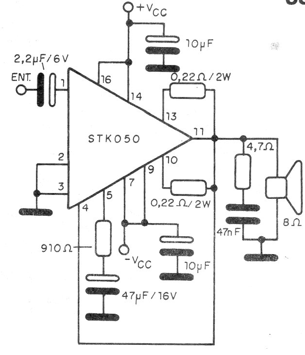
This 1992 circuit uses an integrated circuit not common today. The Sanyo integrated circuit must have a good heat sink and the 35 + 35 V source must supply a current of at least 3 A. The input resistance is 30k and the quiescent current is 60 mA.

This 1992 circuit uses an integrated circuit not common today. The Sanyo integrated circuit must have a good heat sink and the 35 + 35 V source must supply a current of at least 3 A. The input resistance is 30k and the quiescent current is 60 mA.
