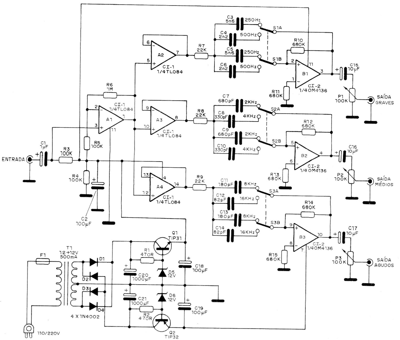
We found this circuit in a 1988 documentation. It is a crossover in which the separation frequencies can be selected through the capacitors given in the table. The circuit must be powered by a symmetrical source that is already included in the project and the signal cables must be shielded to avoid humming.





