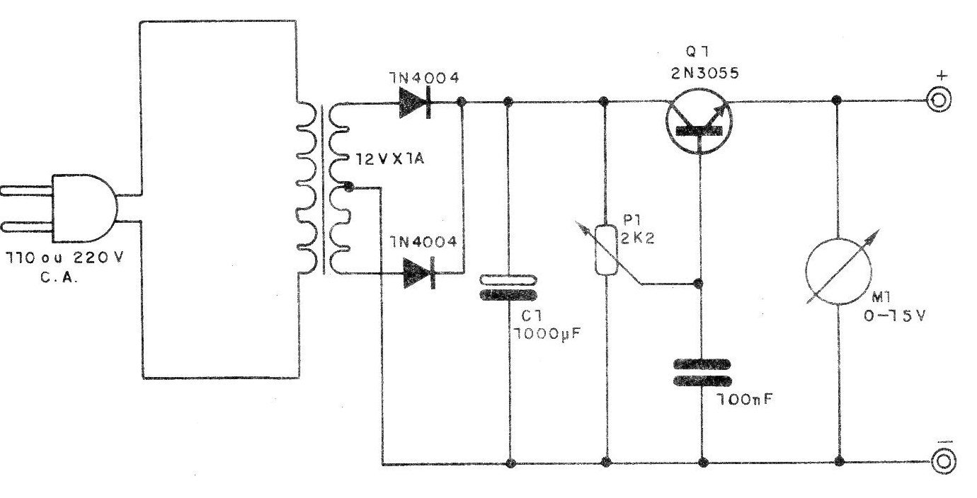
The power supply shown in the figure provides voltages between 0 and approximately 15 volts, with load currents up to 1A. The reader will be able to use it on the bench to feed his circuits and in small devices that are being repaired, tested or adjusted, such as radios, recorders, walk-man etc. The transistor must be mounted on a heat radiator and the potentiometer must be 2.2 k or 2.7 k. We recommend the use of a mobile iron voltmeter at the output, 0-15 V or 0-18 V, for monitoring the output voltage, as this type of instrument is much cheaper than the mobile coil models, of greater precision. To compensate for the inaccuracy of the instrument, a new scale can be created based on a common multimeter. The transformer is 12 V x 1 A with central socket and primary winding according to the local network. The diodes are rectifiers for 1 A, such as 1N4004, 1N4007 or BY127. For good filtration, the recommended minimum capacitor is 1000 uF x 25 \ /. Larger values, such as 1500 uF or 2200 uF, can help reduce the ripple (ripple) that results in humming when powered by stereos.




