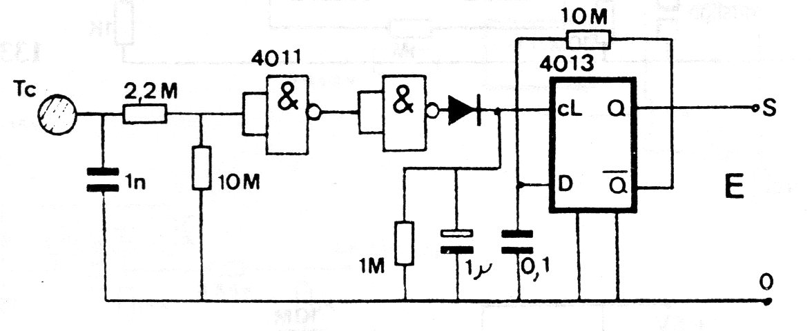
The sensor of this touch shield is a simple little plate that detects the noise captured by our body using it to switch a bistable with the CMOS 4013. The 4013 output can be connected directly to the control input of a microcontroller or other power circuit. The circuit must be powered with a voltage of 5 V.




