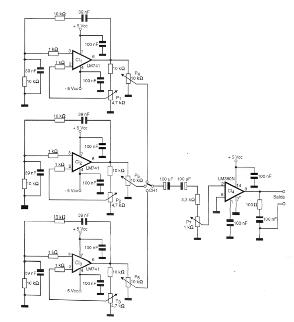
This circuit was obtained in a 1998 documentation. It is a small low frequency signal generator with three oscillators. The signals of the oscillators can be selected by a switch and there is an amplifier circuit that allows its external application in an equipment under test. The circuit is powered by a symmetrical source of 5 V or more (up to 12 V). The frequencies are adjusted in the potentiometers from P1 to P3.




