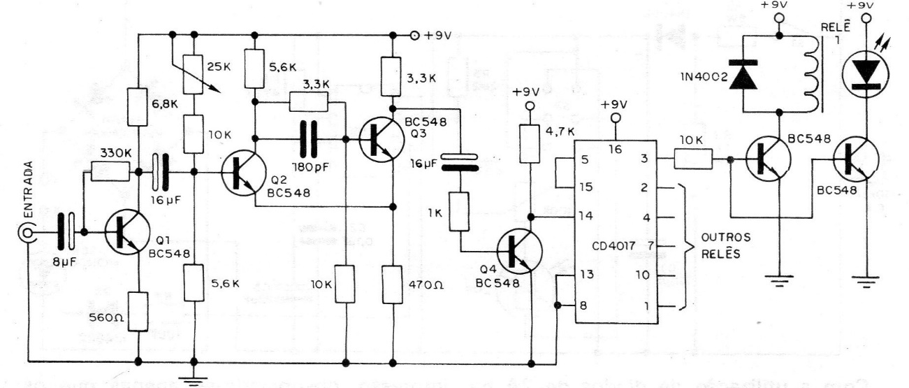
Exciting a sequential circuit with the output of a stereo we can make a set of lamps run at a variable speed, following the rhythm of the music. This is the basic purpose of this project, in which the clock of a sequential system is "modulated", transforming the misshapen wave of the sound output of a receiver into rectangular peaks, capable of exciting an integrated C-MOS type 4017. Feeding relays with high power, it is possible to control many lamps with a minimum of audio power, obtaining sensational special effects. The 4017 as it is known allows to obtain a sequential system of up to 10 channels, and using 6A relays, this means a maximum load of 60 A or 6600 W at 110 V or 13200 W at 220 V.




