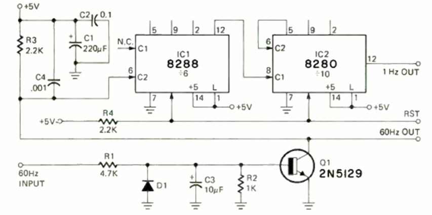
We found this time base circuit in a timer project from the August 1972 Radio Electronics magazine. The circuit takes advantage of the 60 Hz signal from the power grid.
This circuit was obtained from an old American documentation having a limited adjustment range....
The movement of the LEDs in this circuit mimics the back-and-forth movement of a pendulum, making it...
This circuit is from a 1967 documentation. It makes use of varicap and diode tunnel in addition to...