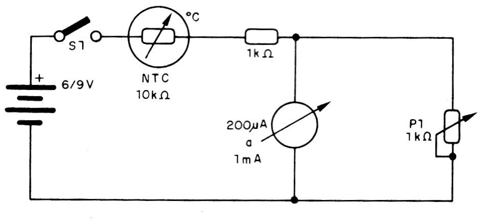
In the figure we have a simple thermometer with NTC, using an analog current indicator. The adjustment is made in the trimpot and the power is done by batteries.
This circuit was obtained from an American 80's documentation. The transistors can be 2N2222 and...
Although the AM has its days numbered, this is a simple receiver, quite sensitive by the number of...
We found this circuit in a Popular Electronics from the 80s. The circuit is based on the LM3909, a low...