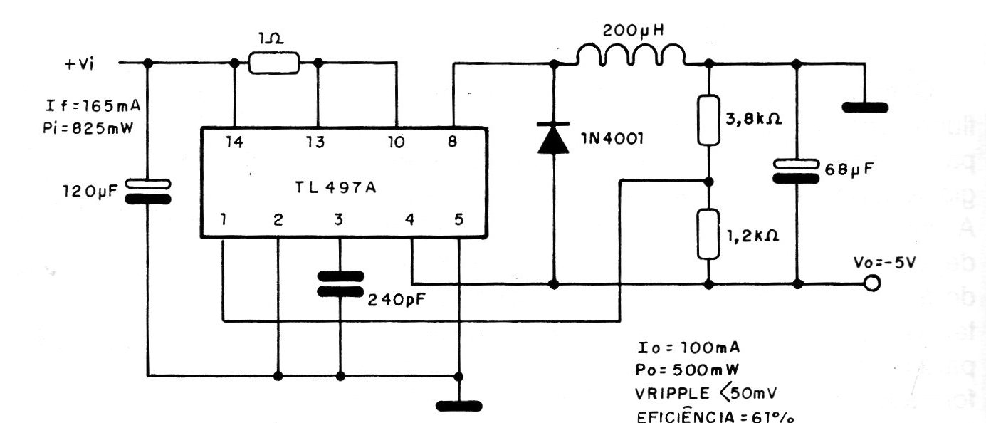
This circuit generates a negative voltage of 5 V with a maximum current of 100 mA and is based on the Texas TL497A integrated circuit. The source yield is 61% and its input and output characteristics are given in the diagram itself.
This circuit generates a negative voltage of 5 V with a maximum current of 100 mA and is based on the Texas TL497A integrated circuit. The source yield is 61% and its input and output characteristics are given in the diagram itself.