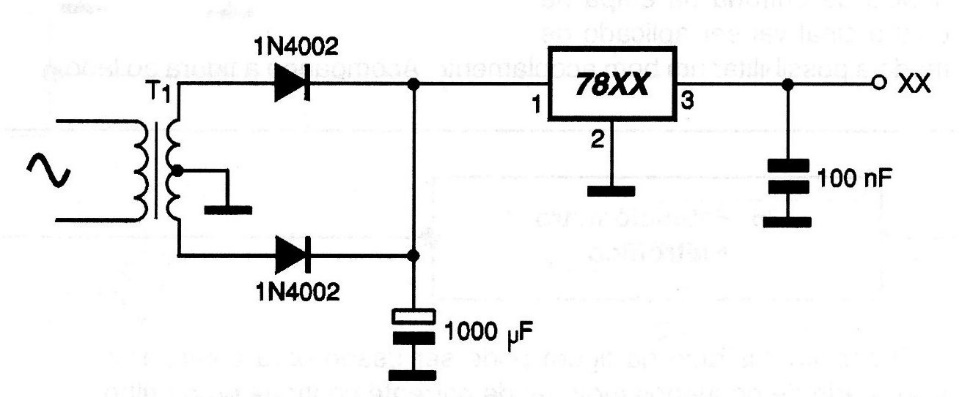
The voltage regulator integrated circuits of the 78XX series can be found with voltages from 5 v (7805) to 18 v (7818) with 1 A. output currents. the chosen regulator and must have a current of 1 A or less if the output requires it. The voltage regulator integrated circuit must be mounted on a heat radiator. The insulation voltage of the electrolytic capacitor before the regulator must be at least 7% higher than the RMS voltage of the transformer used. Remember that the integrated circuits of the 79XX series have a different pinout than those found in the 78XX that have the ground as the central terminal. The board layout must be considered in this case. See the figure.




