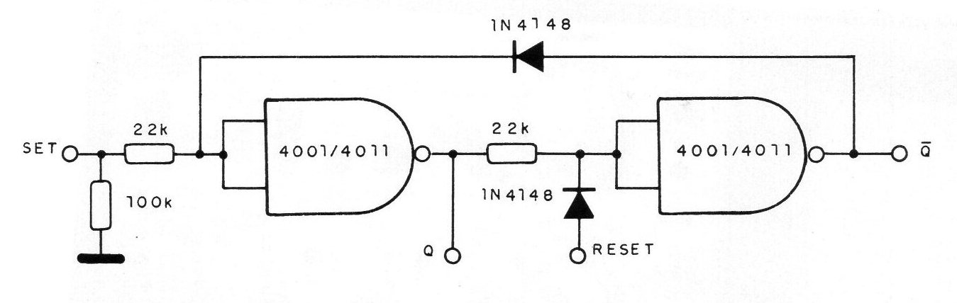
This Set-Reset (RS) flip-flop uses an integrated 4001 or 4011 in addition to some external components, as shown in the figure. The supply is made with voltages between 5 and 15V and for the trigger are used positive input pulses.
This Set-Reset (RS) flip-flop uses an integrated 4001 or 4011 in addition to some external components, as shown in the figure. The supply is made with voltages between 5 and 15V and for the trigger are used positive input pulses.