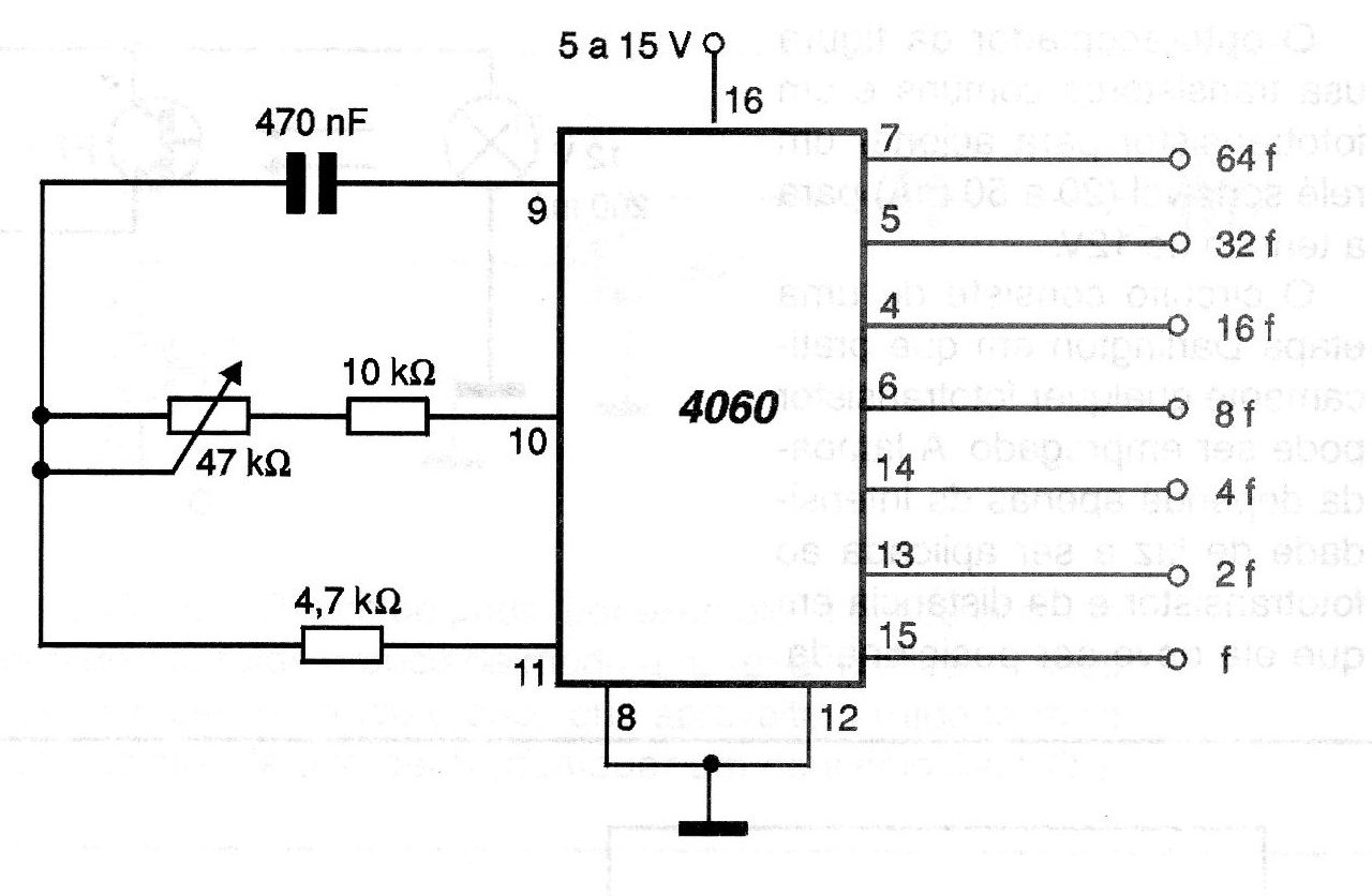
The basic frequency of this circuit is determined by the capacitor of 470 nF and the adjustment of the trimpot of 47k ohms, being able to reach a maximum of the order of 4 MHz. This frequency will be divided by powers of 2, as shown in the figure, obtaining rectangular signals on these exits. The circuit can be supplied with voltages from 5 to 15 V. An application of this circuit is as a frequency pattern or in a function generator project where the output signals, which are square, can have their waveform altered according to application.




