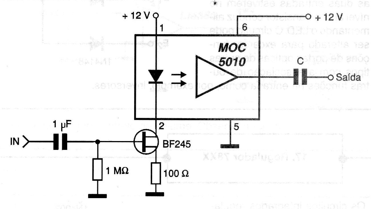
The Motorola MOC501O optocoupler has a complete amplifier inside the sensor, enabling the development of a linear signal coupler that allows it to operate in the audio range. It uses a common junction FET at the input to couple the input signal and can be supplied with 12 v voltages. Capacitor C must be chosen according to the input impedance of the stage in which the signal will be applied to allow a good coupling.




