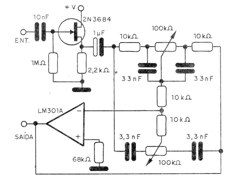
This circuit, suggested by National Semiconductor, is a tone control (bass and treble) with high input impedance and is based on a FET and an operational amplifier. In the figure we have the complete diagram of the device, which uses linear potentiometers of 100k ohms. The field effect transistor admits equivalent, and one of the most important characteristics of the circuit is the low noise.




