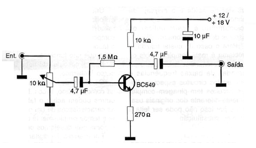
This low noise audio amplifier stage uses only one transistor and has a high enough gain to operate with low intensity signal sources. The gain is basically given by the 1.5 M ohms resistor that must be changed according to the characteristics of the signal source. The supply can be done with voltages of 12 to 18 volts and the potentiometer acts as a gain control.




