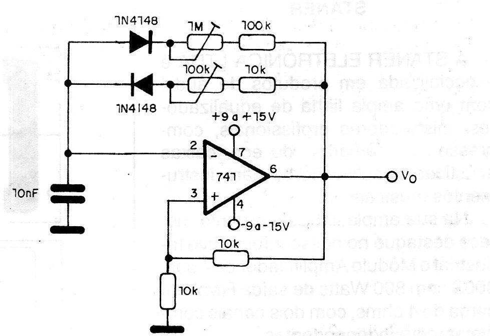
This low frequency oscillator with an operational amplifier of type 741 has adjustment of the mark / space ratio through two trimpots. The circuit operates with a symmetrical source at a frequency of 1 Hz to close to 100 kHz. The 10 nF capacitor determines the frequency range, along with the adjustment trimpots and resistors in series. The output impedance is approximately 50 ohms and the amplitude of the output signal, which is rectangular, approximates the voltage of the power supply.




