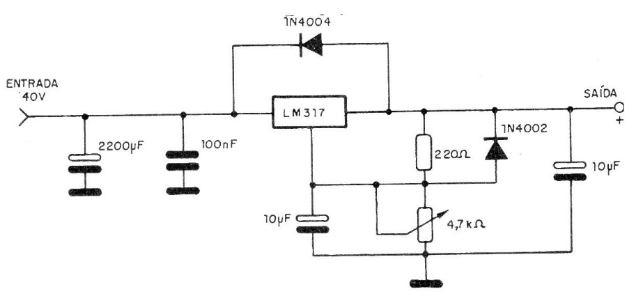
A current of up to 1.5 A can be obtained with this regulator circuit, whose output voltage will be adjusted in the range indicated by the 4k7 ohm potentiometer. The filter capacitor at the input can be increased to further reduce the ripple. The integrated circuit must be mounted on a good heat sink. Capacitors must have working voltages compatible with the regulator input and output.




