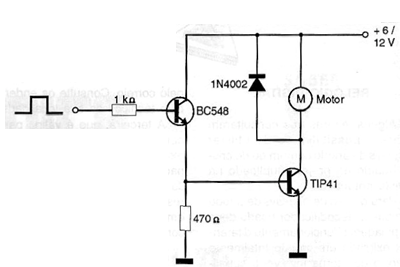
DC motors of 6 to 12 volts and currents of up to 2 amps can be controlled with this circuit. The TIP41 transistor admits equivalents and must have a good heat radiator. With a positive voltage between 0.6 volts and 5 volts, the motor is started.

DC motors of 6 to 12 volts and currents of up to 2 amps can be controlled with this circuit. The TIP41 transistor admits equivalents and must have a good heat radiator. With a positive voltage between 0.6 volts and 5 volts, the motor is started.
