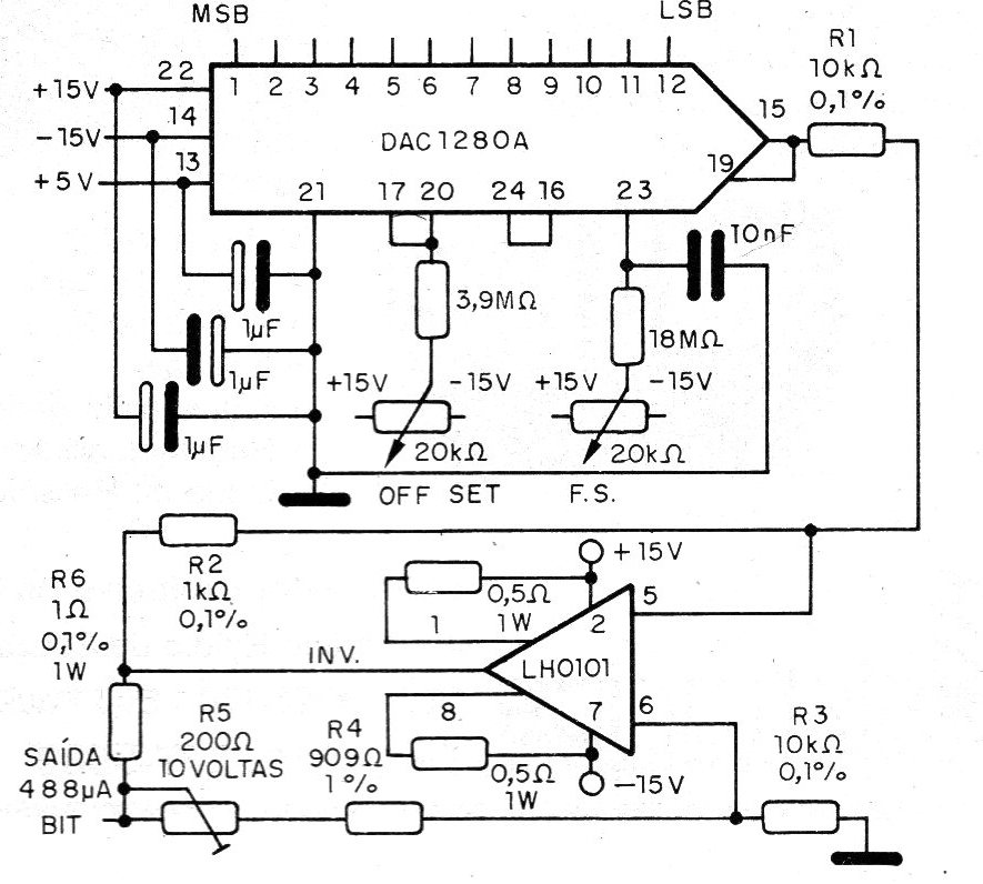
This circuit is suggested by National Semiconductor and is based on a DAC1280A Digital Analog converter, providing a current of 488 uA for each bit, which gives a very good resolution for a laboratory application. Note the need for high precision resistors at some points in the circuit (0.1% tolerance). The LH0101 is a power operational amplifier, being able to supply currents of up to 1 A at the output, which over a load of 5 ohms corresponds to a power of 10 W. Observe the points of application of the most significant (MSB) and least significant bit (LSB) of the DAC programming inputs.




