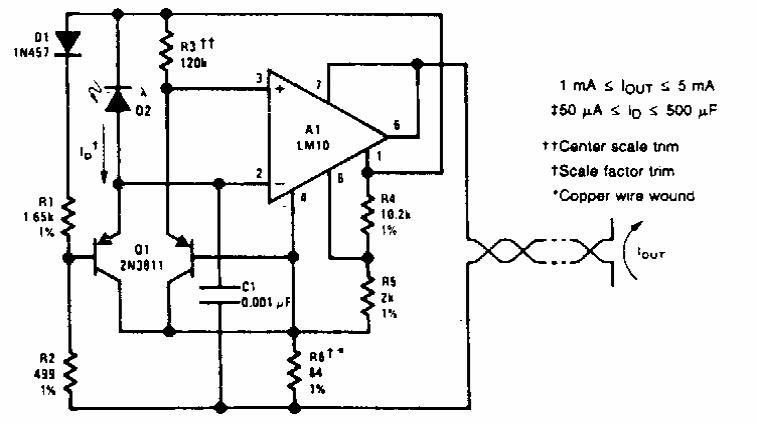
Found in a National Semiconductor manual, this circuit is intended for data transmission over a twisted pair, the signals being obtained from a photodiode.
This circuit was found in a 1997 documentation. The signals are adjusted in a double 555 (556) and the...
This circuit uses only transistors, producing a pseudo-sequential effect with 6 LEDs. The circuit is...
This circuit was found in an American publication from the 70s, but it can be assembled with more...