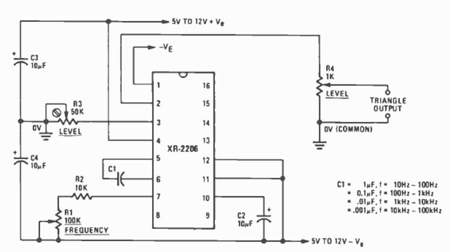
Found in an April 1977 Radio Electronics issue, this circuit uses the well-known XR2206. The C1 values for the various frequency bands are given next to the diagram.
Found in the October 1992 Radio Electronics magazine, this oscillator is controlled by switch S1....
This circuit was obtained in a 1976 amateur radio manual. The circuit can be made with a 2N2222...
The component used in this circuit is not very common today as the circuit is from the 80's. It...