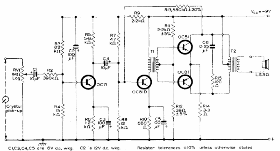
The circuit shown is from the 1960 Mullard transistor reference manual. The circuit has a common configuration at the time, being found in many commercial low-power radios and amplifiers and even recorders.
The circuit shown is from the 1960 Mullard transistor reference manual. The circuit has a common configuration at the time, being found in many commercial low-power radios and amplifiers and even recorders.