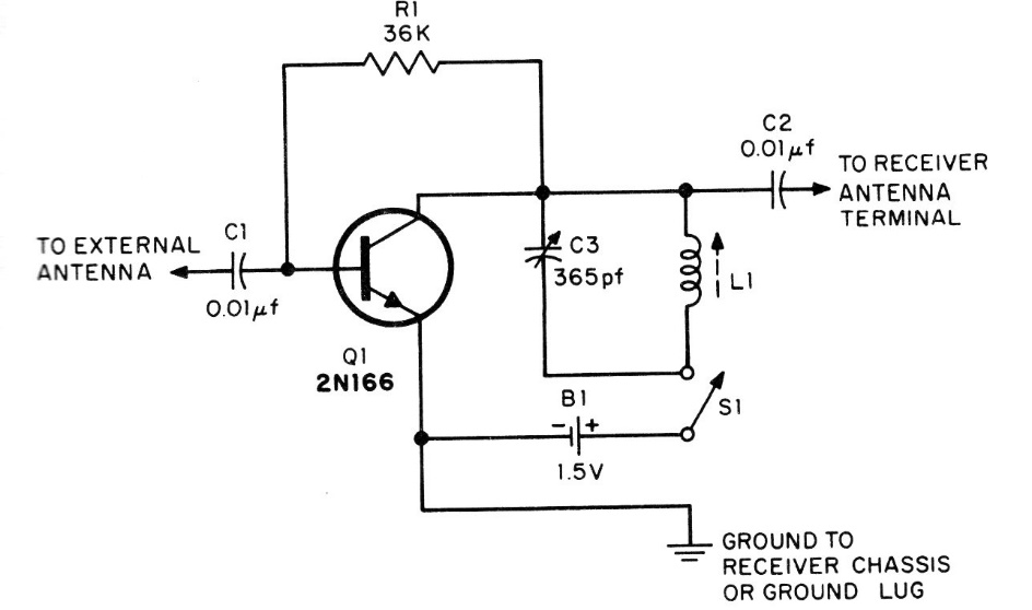
This circuit serves to reinforce the AM band signals for receivers that use an external antenna. The transistor can be a BF494 and the circuit also operates in the short-wave range with changing the coil. This coil consists of 80 turns of wire 28 in a ferrite rod. The supply can be done with voltages from 1.5 V to 6 V.




