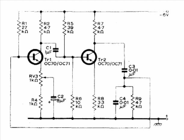
The frequency of this oscillator, found in the 1960 transistor reference manual, is around 3.5 kHz. The circuit generates a sinusoidal signal whose linearity can be adjusted in RV3.

The frequency of this oscillator, found in the 1960 transistor reference manual, is around 3.5 kHz. The circuit generates a sinusoidal signal whose linearity can be adjusted in RV3.
