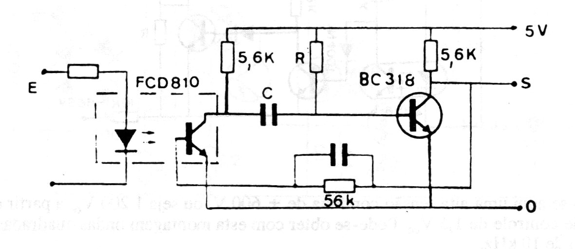
Capacitor C and resistor R in this circuit determine the time the output remains at the high level after receiving a command from the optical coupler. The resistor in series with the coupler emitter can be 330 ohms for 5 V microcontrollers and 120 ohms for 3.3 V output. The circuit is from an old French documentation. The transistor can be the BC548.




