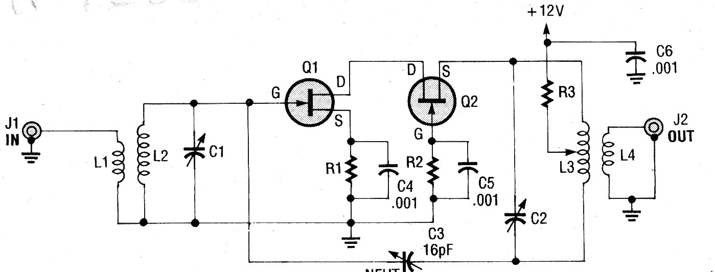
This circuit amplifies and pre-selects signals that must be received by a VHF receiver. The coils depend on the frequency range and the FETs can be MPF102 or BF245. The circuit must be powered by a voltage of 12 V. We found this configuration in an American publication from 1990.




