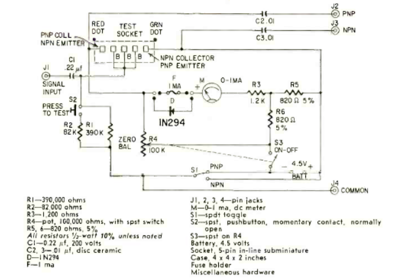
Found in Radio Electronics from May 1959, this transistor tester is quite sophisticated. The circuit uses a 1 mA analog indicator.
This effect for guitar was found in an English magazine from 1978. The transistors can be the most...
The maximum current of this power supply is 2 A and the output voltage can be set between 6 and 24 V. The...
January 2017 - Texas Instruments' new 16-Bit SAR (Analog to Digital Converter) DC is available from...