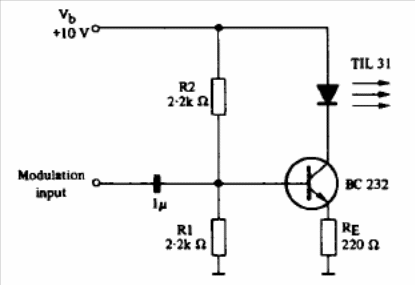
We found this circuit in a Texas Instruments optoelectronics manual. The audio modulator serves for sound links and the transistor can be the BC548. The range depends on the sensitivity of the receiver and the optical resources used.

We found this circuit in a Texas Instruments optoelectronics manual. The audio modulator serves for sound links and the transistor can be the BC548. The range depends on the sensitivity of the receiver and the optical resources used.
